Bennie heeft jarenlange ervaring in het vervangen van kozijnen en vertelt je graag waar je op moet letten als je zelf een kozijn gaat vervangen. Hij werkt voor een timmerfabriek waar hardhouten kozijnen van Toelevering Online gemaakt worden (Nijhuis Toelevering).
Stappenplan kozijnen vervangen

‘Bij Nijhuis Toelevering werken we voor grote projecten en hebben we een heel boekwerk met aandachtspunten voor het vervangen van kozijnen. Hierbij houden we rekening met praktische dingen, zoals weersomstandigheden, maar ook met de wens van de bewoner en eventuele raamdecoratie.
In dit stappenplan ben ik er vanuit gegaan dat we een bestaand kozijn verwijderen en een compleet nieuw houten kozijn van Toelevering Online gaan plaatsen’, aldus Bennie.
1. Inmeten
De eerste stap van het vervangen van een kozijn is het inmeten van jouw kozijn. Hierbij meet je de breedte en de hoogte. Je meet altijd aan de buitenzijde van het kozijn.
Maatvoering
Meet horizontaal in op drie verschillende punten in de sparing – van metselwerk tot metselwerk. De kleinste maat is leidend. Haal 10 millimeter van je maat af. Meet vervolgens verticaal in. Dit doe je ook op drie verschillende punten. Ook hier is de kleinste maat leidend. Meet je vanaf de raamdorpel? Dan haal je 20 millimeter van de kleinste maat af.
Meer informatie en inmeettips voor kozijnen lees je in onze blog.

“Ik ga bij verticaal inmeten meestal uit van de onderkant van het kozijndorpel tot het metselwerk. Hier pak ik de kleinste maat van en neem daarbij een halve centimeter speling. Dat is meestal een maat die relatief eenvoudig te meten is en daardoor minder speling nodig heeft.“
Bennie

2. Kozijn bestellen
Zodra je de maten van de kozijnen hebt opgemeten, is het bijna tijd om ze te bestellen. Voordat je dit doet, moet je goed nadenken over het soort kozijn dat je wilt plaatsen. Wil je een raamkozijn plaatsen? Denk er dan goed over na of je een naar binnen of naar buiten draaiend raamkozijn kiest. Ga je voor een deur? Denk er dan over na of er voldoende ruimte is om de deur open te draaien of dat een schuifdeur een betere optie is. Twijfel je welk kozijn geschikt is? Gijs geeft je in zijn blog tips voor het kiezen van het juiste kozijn.
Aansluiting kozijn
Daarnaast is het belangrijk dat je alvast nadenkt over de manier waarop je het kozijn wilt aansluiten. Bij het vervangen van het kozijn wordt normaal gesproken een renovatiesponning toegepast. In dit stappenplan zijn we ook van een renovatiesponning uitgegaan.
Voorgedefinieerde kozijnen vs. configurator
Bij Toelevering Online bestel je je kozijnen simpel en snel online. Je kunt je eigen maatwerk kozijnen samenstellen in de online configurator, maar je kunt ook kiezen voor voorgedefinieerde kozijnen via onze productpagina. In beide gevallen voer je zelf de gewenste maten en eigenschappen van het kozijn in. Het voordeel van onze gebruiksvriendelijke configurator is dat je het hele kozijn vanaf het begin kunt opbouwen. Je kiest de maten, de vakverdeling, de vakvullingen en de overige eigenschappen (zoals kleur, muuraansluiting en soort glas).
3. Levering van het kozijn
Zodra jouw bestelling binnen is, gaan wij direct aan de slag om jouw kozijnen te maken. De kozijnen van Toelevering Online worden gemaakt in de fabriek van een gevestigde naam in de kozijnenindustrie (Nijhuis Toelevering). De snelst mogelijke levering is al binnen 5 werkdagen. Je kiest bij ons zelf welke dag en dagdeel jou het beste uitkomt.
“Voordat je überhaupt een zaag in het oude kozijn zet, is het verstandig om het nieuwe kozijn te controleren. Is de maatvoering juist en past deze? Dit is een tip die wij ook altijd aan onze montageploegen meegeven. Eerst controleren voordat je gaat slopen.“
Bennie
4. Werkruimte vrijmaken
Voordat je kunt beginnen met het monteren van het kozijn, is het belangrijk om werkruimte vrij te maken. Dit doe je door meubels af te dekken, gordijnrails te verwijderen en een schone werkplek te creëeren. Bij het slopen moet je natuurlijk ook denken aan zaken zoals handschoenen en een veiligheidshelm.
5. Sloop van het oude kozijn
De sloop van het oude kozijn begint met het verwijderen van de draaiende delen (ramen of deuren). Bij kozijnen met vast glas verwijder je de kitrand door deze los te snijden. Je verwijdert de glaslatten en verwijdert het glas met een zuignap. Hierna verwijder je eventuele tussenstijlen en dorpels door ze op 2 plekken door te zagen. Je haalt het stukje dat je hebt gezaagd er tussenuit, zodat je de stijlen en dorpels verder kunt slopen. Als dit klaar is, sloop je de buitenstijlen en de dorpels van het kozijn op dezelfde manier. Je probeert bij het slopen van de buitenstijlen en de dorpel de bestaande spouwlat te behouden als dit lukt.
“Bij het verwijderen van de bovendorpel is het slim om even naar de bestaande vochtkering te kijken. Zit deze er en kan deze behouden blijven? Bij oude kozijnen bestaat de vochtkering vaak uit lood. Die kun je in de meeste gevallen opnieuw gebruiken.“
Bennie
De laatste stap van het slopen van het oude kozijnen, is het opruimen van de werkruimte. Je ruimt het sloopafval op en maakt de kozijnen vrij van rotzooi die erin zit. Door PUR rondom de spouwlat te spuiten, kun je de spouwlat weer goed vastzetten. Dit zorgt ervoor dat de spouwlat goed gefixeerd is en tevens zorgt dit voor een goede tochtafdichting.
6. Het nieuwe kozijn gereed maken
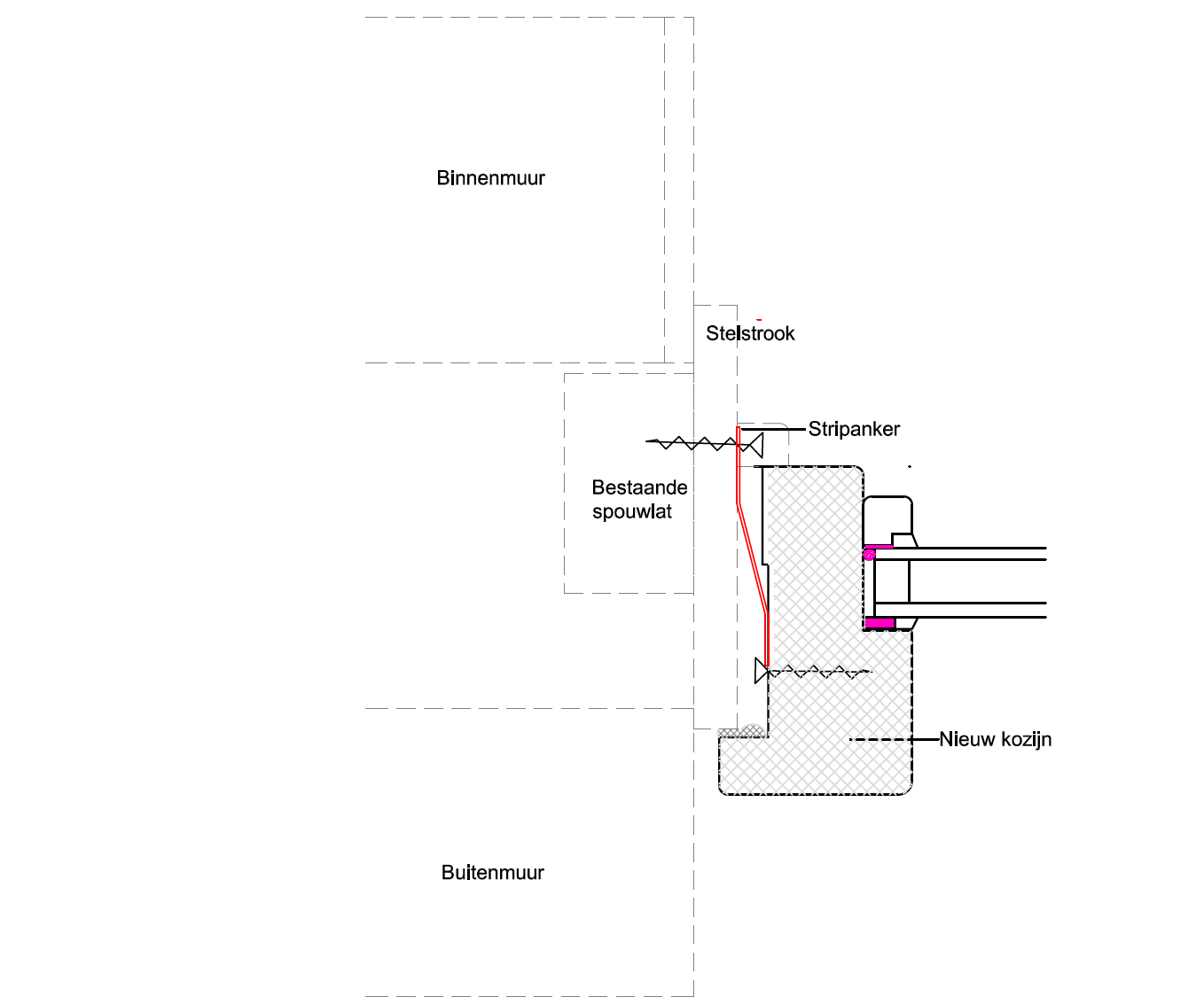
Je kunt het kozijn gereed maken voor montage door stripanker in de sponning te schroeven en compriband in de aanslag van de renovatiesponning te plakken voor een goede afdichting. Hoe je het kozijn monteert, is afhankelijk van het hergebruiken van de bestaande spouwlat. Wanneer de spouwlat te diep in de spouw zit en je onvoldoende aanslag hebt, kun je door middel van een stelstrook een betere aanslag krijgen. Deze schroef je over de bestaande spouwlat heen, zodat je deze als aanslag kunt gebruiken voor het nieuwe kozijn (zie afbeelding). Je hoeft geen stelstrook te gebruiken als je voldoende aanslag hebt op de bestaande spouwlat.

“Schilder de zichtzijde van de stelstrook zwart, dan is de naad rondom je kozijn zwart, dit ziet er strak en netjes uit als je vanaf de buitenkant naar het kozijn kijkt.“ Bennie
7. Het nieuwe kozijn plaatsen
Bij het plaatsen van het kozijn is het belangrijk om de speling aan de zijkanten gelijk te verdelen, zodat de naad rondom het kozijn gelijk is. Het kozijn moet waterpas zijn, zodat je geen problemen krijgt met de bewegende delen.
“Bij oudere woningen zie je vaak dat het kozijn al 10 keer geschilderd is. Dan zit er een vuile rand op de muur van het schilderwerk. Je kunt er dan in veel gevallen voor kiezen om het kozijn een centimeter naar voren te plaatsen, zodat je de verf niet meer ziet zitten en je een frisse muur hebt.“
Bennie


8. Stripankers vastschroeven
De beste manier om een nieuw kozijn te verankeren is door deze met stripankers te verankeren. Op deze manier kun je ook een beglaasd en afgekit kozijn bestellen en hoef je niet door de sponning heen te schroeven.
9. Afpurren en aftimmeren
De ruimte die overblijft na het monteren van het kozijn, moet rondom afgepurt worden vanuit de binnenzijde. Je spuit de ruimte tussen het kozijn en de stelstrook vol met pur.
Als de pur droog is, snijd je de randen af. Hierna kun je de kozijnen aan de binnenkant aftimmeren en is je kozijn helemaal klaar!
Hulp nodig bij het vervangen van je kozijn?
In 9 stappen kun jij jouw kozijn vervangen. Heb je nog geen ervaring? Dan is mijn ultieme tip om je kozijn te laten vervangen door een professional. Dit stappenplan is slechts een leidraad, hier mogen geen rechten aan worden verleend. Wil jij toch graag zelf de uitdaging aangaan en heb je na het lezen van dit stappenplan nog vragen? Het Toelevering Online team helpt je graag! Neem daarvoor contact met ons op.
Heb je een nieuw kozijn nodig? Stel deze dan snel en gemakkelijk samen in de configurator! De kozijnen van Toelevering Online worden geleverd door heel Nederland. De kozijnen kunnen geleverd worden vanaf 5 werkdagen. Zo kun je jouw project in Tilburg, Roermond, Leiden, Haulerwijk, Alkmaar, Almere, Hengelo of Apeldoorn snel voortzetten.
Neem contact opDisclaimer
We sluiten deze blog af met een kleine disclaimer: dit zijn stappen die je kunt doorlopen om een kozijn te vervangen. Onze tips en stappen gelden niet als definitieve leidraad, hier mogen geen rechten aan worden verleend. Bij Toelevering Online raden we altijd aan om het vervangen van een kozijn uit te laten voeren door een deskundige met veel verstand van zaken.